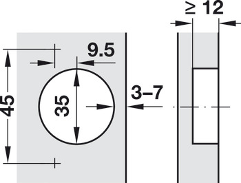
Balama lezena - Blum Clip top

BLUM
11,90 Lei
In stoc

Durata de livrare: 2-3 zile

Limita stoc
Adauga in cos
Cod Produs: 03.9555.10 Ai nevoie de ajutor? 0728 116 000
Adauga la Favorite Cere informatii
  • Descriere
  • Review-uri (0)
Balama lezena, cu arc, fara amortizare, montaj cu suruburi -  Clip top. Cod Blum 79T9550
Informatii conformitate produs
Daca doresti sa iti exprimi parerea despre acest produs poti adauga un review.

Review-ul a fost trimis cu succes.

Compara produse

Trebuie sa mai adaugi cel putin un produs pentru a compara produse.

A fost adaugat la favorite!

A fost sters din favorite!